香蕉小视频在线观看电力是一家专业研发生产单相继电保护校验仪的厂家,本公司生产的单相继电保护校验仪在行业内都广受好评,以打造最具权威的“单相继电保护校验仪“高压设备供应商而努力。
单相继电保护校验仪使用方法
1. 测量:
可作为单独的电压、电流源使用,但须注意各项输出功率,以免损坏仪器。具体操作按“四”进行。
2. 过量程、欠量程:
测量各种继电器的启动值、返回值、返回系数及触点动作时间(包括电压、电流继电器)。过量程是指继电器触点合上为动作值的继电器,欠量程是指以继电器触点分开为动作值的继电器。
继电器的动作值、返回值及返回系数的测量:
按照前面“四”来调节输出电源,选择T3至 状态,将同步开关按下,缓慢调节T4旋钮至继电器动作,观察指示灯由灭变亮,此时X1的显示为其动作值。继续调节T4至该继电器额定值后,再缓慢将T4调回至继电器返回,观察指示灯由亮变灭,此时X1的显示为返回值。用返回值除以动作值再乘以100%即为返回系数。
继电器的时间测量:
按照前面“四”来调节输出电源,选择T3至继电器的触点状态,将同步开关按下,缓慢调节T4旋钮至继电器的额定值。通过同步开关,可测得继电器的时间(2的显示值)。注意测试前须将毫秒表清零,合闸开关在开的位置。
同步开关与触点状态对应关系如下:
ⅠⅢ状态,同步开关由关至开;
ⅡⅣ状态,同步开关由开至关。
触点接线如下:
图2
3. 时间继电器的测量与上述方法相同。
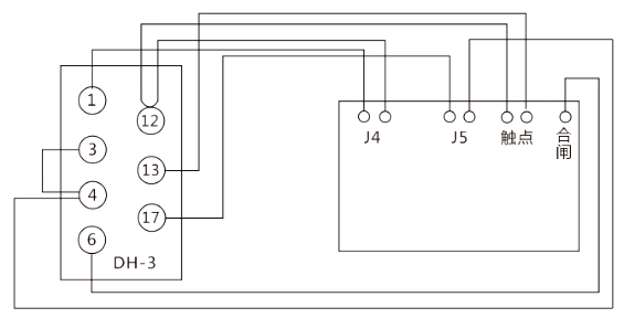
4. 重合闸(以DH—3重合闸为例):
i.DH—3型重合闸继电器操作如下:
图3
按图(三)接线,(3)(4)接J5黑柱(负极),(17)接J5红柱(正极)。
注意:若用ZJ3触点停止毫秒表时,应注意将ZJ3接到(12)脚的接线断开,将ZJ3触点分离开来(见《保护继电器检验》352页),把T1旋到DC20A档,打开电源开关调节T4至继电器额定电流值。关掉电源开关,将T2调至继电器的额定电压值。将T3调至Ⅰ位置(即继电器ZJ3的触点状态)。打开电源开关,按下定值输出开关,充电15~25秒后(毫秒表上可读出充电时间),将毫秒表复位,按下“重合闸开关”,测量重合闸时间,X2显示的值为重合闸继电器的重合闸时间。
5. 中间继电器:
图5
(a)同过量程、欠量程继电器,测量动作值、返回值、动作时间、返回时间一样进行操作。
(b)对电流保持继电器,先调整T2至继电器额定电压值,打开电源开关,按下定值输出开关,使继电器电压线圈加入额定电压值,继电器动作后,调整T4使J1电流至额定电流值,然后断开电压,调整保护线圈电流(T4),继电器能保持的最小电流就是继电器的最小保持值。其动作时间、返回时间参照“五、2”进行试验。
6. 差动继电器:(以BCH—1型差动继电器为例进行说明)
根据规程要求(参见《保护继电器检验》的178页),在无外接设备情况下可做第4、9、10三项试验,在外接调压器和升流器的情况下可做第6项试验,其他不属于本仪器试验范围。
A. 执行元件动作电压、动作电流及返回电流检验,按下图接线:


图6
断开(10)、(11)端子之间的连续片,按电流继电器的方法测出动作电流、返回电流,然后把交流电流升到刚才测出的动作电流值,记录此时 的电压值,可用万用表测J1两端电压值。
B.无制动时的起始安匝检验
本项目不是一般的定期检验项目。把工作绕组的20匝全部投入,把(10)、(11)的短路片接上,交流电流从(3)、(8)加入,触点动作信号从(5)、(7)接入触点端,按电流继电器的方法检验。
C.制动特性试验
定期检验时,仅测定Φ=0°和制动安匝为280安匝的动作安匝值。
图7
按上图接线,断开(4)、(6)的连接片,动作回路取39匝,制动回路取14匝,调压器(最小容量5KVA)和仪器使用同一220V电源时,调节制动电流到要求的安匝,按交流继电器的做出动作电流。如果动作安匝完全不对,可能是制动电流和动作电流的相角是180°,把制动电流反相就行了。如果仪器使用三相电中的一相,调压器使用另外一相,通过改变相别和升流器正反接可得到60°的相角。如果外
接移相器,可得到0~360°的相角。
D.整组伏安特性检验,按下图接线:
图8
交流电流加在工作绕组上(3)、(8),执行元件的电压由一块万用表从(9)、(10)读取,选择1至交流电流档,升流到所需安匝数,读取1倍、2倍、5倍安匝时执行元件端的电压值。详见《保护继电器检验》的183页。
E.整定位置下的动作安匝检验
试验方法与电流继电器相同,参见“五,2”。
2.2注意事项
1. 为了安全起见,仪器与继电器在接线时不要打开电源开关,待检查接线无误后再打开电源开关。
2. 为了仪器的准确度,请在做试验前预热5~10分钟。
3. 测量触点动作时间时,加入额定值后应将毫秒表清零。
4. 仪器工作不正常时,请检查各个保险座,若损坏更换同型号即可正常。其他非保险问题请勿自行检修仪器,应及时联系。
5. 各输出电源间不能短路,触点端子不能与输出电源短路,以免损坏仪器。
6. 试验完毕,拆除接线前,请先关掉仪器电源 。
7. 使用仪器前,请仔细阅读使用说明书。